服务热线
由芯师爷主办的“2021 硬核中国芯”评选活动火热进行中,百余家国产芯企业报名参评,200余款产品将与广大电子工程师集中见面。
现以“云展览”的方式为您全方位展示中国芯产品及企业,同时请您为中国芯的前进投下宝贵的一票!
企业介绍
宁波群芯微电子有限责任公司成立于2018年7月,位于宁波杭州湾新区。群芯微电子的团队成员来自于国内外大型半导体公司,有着近三十年集成电路设计、制造和应用的经验。其主要产品光电耦合器包括晶体管光耦、高速光耦、可控硅光耦、门驱动光耦和光继电器等,是国内提供光耦产品种类最为丰富的企业,特别是其核心产品:QX7723高速光耦;QX7840光电耦合模拟隔离放大器;QX3120栅极驱动光耦,性能已达到国际先进水平。
产品介绍
产品一:QX7723高速光电耦合器
①产品性能:
(1)集成CMOS输入兼容高速LED驱动芯片;
(2)集成高速光敏混合集成电路芯片;
(3)光电耦合瞬态共模抑制技术;
(4)多通道抗光电干扰及多通道一致性技术
(5)多芯片超小、超薄的封装高可靠性
其产品参数如下:
(1)数据传输速率:50MBd
(2)供电电压:3V~5.5V
(3)工作温度:-40 ~ 85℃
(4)传播延迟时间:20ns (max)
(5)脉宽失真:8ns (max)
(6)隔离电压:5000 Vrms (min)
②价格竞争力:
比进品同型号光耦便宜三分之一。
③技术创新 :
QX7723高速光电耦合器具有三个核心部件:高速红外发光二极管芯片、高速红外发光二极管驱动芯片和高速光敏接收器集成电路芯片,其中的高速光敏接收集成电路芯片,是一种把光敏接收器件和高速信号处理集成电路设计在一个芯片上的光敏器件和集成电路一体化的集成器件。高速光电耦合器的封装采用专用光耦平面工艺技术,传输速度:≥50MBd以上,高共模抑制比:Vcm=50V/1000V,30KV/μs,提高共模抑制比则提供了瞬变免疫性噪声抑制、EMI,并且消除了接地环路。
QX7723功能框图
④客户服务:
广泛应用于消费电子、通讯、工业控制、电力、医疗、汽车电子、航空航天等领域。
⑤应用案例介绍:
高速光电耦合器应用范围广泛,如:线路接收器隔离;电脑-外围电路界面;微处理器系统界面;A/D,D/A转换的数据隔离;开关电源;仪器的输入/输出隔离;消除噪声接地回路;替代脉冲变压器;马达驱动器中的高压三极管隔离;高速逻辑系统的隔离。
产品二:QX7840光电耦合器
①产品性能:
1)QX7840的主要性能:
(1)集成Σ? ADC、编码及高速LED驱动芯片;
(2)集成高速光敏信号检测及解码混合集成电路芯片;
(3)多芯片DIP8/宽体SO8封装的高可靠性设计;
(4)高线性的差分输出电压;
(5)光耦高瞬态共模抑制技术。
2)QX7840主要技术指标:
(1)输入/输出电源电压VDD1/VDD2:4.5V~5.5V
(2)输入失调电压VOS:–3.0~+3.0mV
(3)增益G:8.0V/V
(4)输入电压VIN+,VIN–:–200mV~+200mV
(5)200 mV非线性NL200:0.4%
(6)100 mV非线性NL100:0.2%
(7)输出共模电压VOCM:2.5V
(8)工作温度:-40~+85℃
(9)共模抑制CMR:15kV/µs
②价格竞争力:
比进品同型号光耦便宜三分之一。
③技术创新:
QX7840隔离放大器,采用8PIN DIP封装,是一款可用来检测电流/电压的光电耦合器,非常合适马达相位和轨电流检测、逆变器电流检测,是传统电流传感器的替代品。相比传统的霍尔效应电流传感器,QX7840不受外部磁场影响,线性好,CMR高,体积小,成本低等优点。下图为功能框图,2、3脚采样信号输入,6、7脚差分输出。
QX7840功能框图
内部工作过程:输入信号经Σ-Δ调制器转换成高速串行比特流,然后经过编码器进行编码,进行模数转换,然后驱动LED将信号传送到输出端,输出端讲信号进行解码数模转换后输出。
④客户服务:
广泛应用于消费电子、通讯、工业控制、电力、医疗、汽车电子、航空航天等领域。
⑤应用案例介绍:
QX7840光电耦合器适用于伺服电机驱动和光伏逆变器等。
产品三:QX3120/QXW341栅极驱动光电耦合器
①产品性能:
1)产品主要性能
(1)0.6A~2.5A IGBT/MOSFET栅极驱动芯片
(2)集成光敏输入驱动芯片
(3)光电耦合瞬态共模抑制技术
(4)多芯片超小、超薄的封装高可靠性
(5)大功率超高工作绝缘电压(15mm SSO8)封装
(6)带欠压锁定(UVLO)保护
2)产品主要技术指标:
(1)峰值输出电流:0.6A~2.5A
(2)输出工作电压范围: 15~30V/ 10~30V
(3)输出上升沿时间(常温) ≤400ns
(4)输出下降沿时间(常温) ≤400ns
(5)工作绝缘电压:630V-2262V
②价格竞争力:
比进品同型号光耦便宜三分之一。
③技术创新:
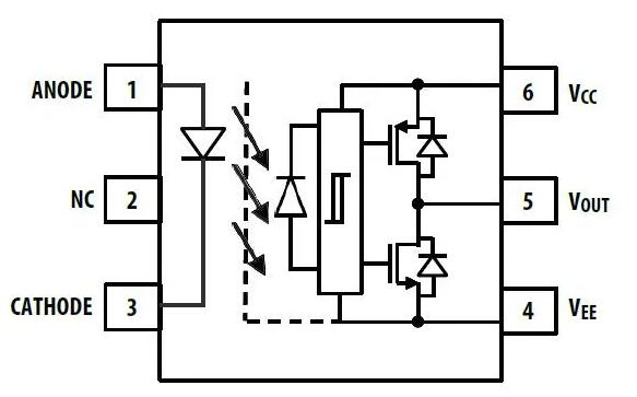
QX3120/QXW341栅极驱动光电耦合器包含AlGaAs LED,光耦合到具有功率输出级的集成电路。此栅极驱动光电耦合器非常适合驱动 IGBT 和用于电机控制逆变器应用的MOSFET,输出级的高工作电压范围提供门控器件所需的驱动电压,提供的电压和高峰值输出电流使其非常适合直接驱动IGBT,栅极驱动器额定电压高达1200V / 100A。对于额定值较高的IGBT,产品可用于驱动IGBT的分立功率级门。功能框图如下。
QX3120功能框图
QXW341功能框图
④客户服务:
广泛应用于消费电子、通讯、工业控制、电力、医疗、汽车电子、航空航天等领域。
⑤应用案例介绍:
栅极驱动光电耦合器主要应用在IGBT/MOSFET栅极驱动器、AC/无刷直流电机驱动器、可再生能源逆变器、工业逆变器、开关电源(SPS)等。
免责声明:本文转载自“芯师爷”,本文仅代表作者个人观点,不代表萨科微及行业观点,只为转载与分享,支持保护知识产权,转载请注明原出处及作者,如有侵权请联系我们删除。
公司电话:+86-0755-83044319
传真/FAX:+86-0755-83975897
邮箱:1615456225@qq.com
QQ:3518641314 李经理
QQ:202974035 陈经理
地址:深圳市龙华新区民治大道1079号展滔科技大厦C座809室




粤公网安备44030002007346号