服务热线
50个常用经典电路!
2022-07-28
15
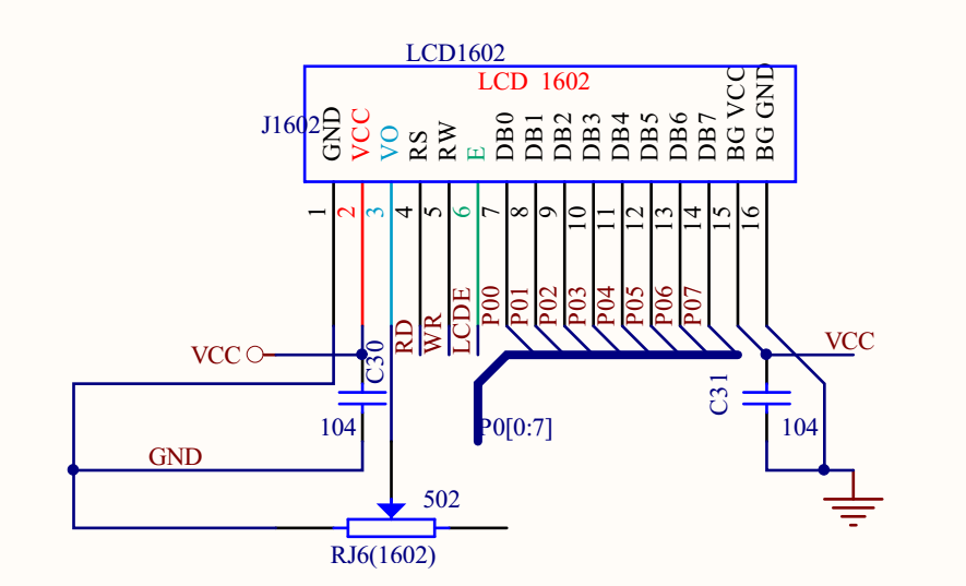
单片机电路
相关推荐
金航标和萨科微热文在全球广泛传播!(萨科微1月21日芯闻)
2026-01-21
34
川渝同芯会2025第九届年会圆满落幕!(萨科微1月19日芯闻)
2026-01-19
27
萨科微半导体2026年春节放假通知(萨科微1月20日每日芯闻)
2026-01-20
28
厚德筑基自强兴业,金航标和萨科微宋仕强先生源于华强北的创业史!
2026-01-22
39
却顾来时路,阡陌攀翠微--萨科微十年发展历程
2026-01-14
209




粤公网安备44030002007346号